Macam-Macam Garis Gambar Teknik dan Fungsinya
Memahami garis-garis gambar teknik sesuai bentuk dan fungsi garis - Salah satu faktor yang penting dalam gambar yang baik adalah mutu dari garis. Sangatlah penting bahwa semua garis harus seragam ketebalannya. Ada banyak macam-macam garis gambar teknik dan fungsinya yang harus diketahui oleh calon drafter seperti anda.
Garis dalam menggambar teknik merupakan salah satu aspek penting dalam suatu gambar teknik. Hal ini dikarenakan beberapa jenis garis yang dipakai mempunyai arti dan kegunaannya masing-masing dalam gambar teknik. Dengan begitu, Anda harus mengetahui jenis-jenis garis pada gambar teknik agar tepat dalam menggunakan jenis garis dengan maksud dan tujuan dari gambar, dimana goresan garis pada gambar adalah penyusun utama dalam objek gambar.
| Contoh Penggunaan Garis Gambar |
Pada gambar teknik terdapat beberapa jenis garis dengan fungsi dan penggunaan tertentu yang juga akan mewakili fungsi tertentu atau suatu benda pada gambar. Sebenarnya hanya sedikit perbedaan antara tiap garis, meski demikian ada beberapa perbedaan jenis dan fungsi garis dalam bidang keteknikan tertentu.
Adapun macam-macam garis dalam gambar teknik, adalah sebagai berikut:
- Garis Kontinu Tipis.
- Garis Kontinu Tebal.
- Garis Putus-putus.
- Garis Setrip Titik Tebal.
- Garis Setrip Titik Tipis.
- Garis Setrip Titik dengan Titik Ganda.
- Garis Kontinu Tipis Bebas.
- Garis Kontinu Zig-zag.
JENIS-JENIS GARIS PADA GAMBAR TEKNIK
Berikut ini macam-macam dari jenis garis pada gambar teknik:
1. Garis Kontinyu Tebal
Dimana fungsi dan kegunaan dari garis kontinyu tebal ini adalah:
- Garis-garis nyata gambar
- Garis tepi
2. Garis Kontinu Tipis
Dimana fungsi dan kegunaan dari garis kontinu tipis ini adalah:
- Garis-garis khayal berpotongan (imaginer)
- Garis ukur
- Garis bantu/proyeksi
- Garis penunjuk
- Garis arsir
- Garis-garis nyata pada penampang yang diputar ditempat
- Garis sumbu pendek
3. Garis Kontinu Tipis Bebas
4. Garis tipis Kontinu dengan Zig-zag
Dimana fungsi dan kegunaan garis tipis kontinyu ini sama dengan fungsi dan kegunaan dari garis tipis kontinyu bebas sebelumnya (no. 3).
5. Garis Gores Tebal
Dimana fungsi dan kegunaan dari garis gores tebal ini adalah:
- Garis nyata terhalang
- Garis tepi terhalang
6. Garis Bergores Tipis
Dimana fungsi dan kegunaan garis bergores tipis ini adalah:
- Garis sumbu
- Garis simetri
- Lintasan
7. Garis Bergores Tipis Dipertebal Ujungnya dan pada Perubahan Arah
Dimana fungsi dan kegunaan garis bergores tipis yang dipertebal ujungnya pada perubahan arah ini adalah:
- sebagai garis pada bidang potong.
8. Garis Bergores Tebal
Dimana fungsi dan kegunaan garis bergores tebal ini adalah:
- untuk menunjukan permukaan benda kerja yang harus mendapatkan pengerjaan khusus.
9. Garis Bergores Ganda Tipis
Dimana fungsi dan kegunaan garis bergores ganda tipis ini adalah:
- Bagian yang berdampingan
- Batas kedudukan benda yang bergerak
- Garis sistem
- Bentuk semula sebelum dibentuk
- Bagian benda yang berada di depan bidang potong
Tabel Macam-macam Garis Pada Gambar Teknik dan fungsinya
Diatas adalah beberapa jenis-jenis garis yang sering digunakan dalam gamabr teknik. Untuk lebih jelas dalam membedakan antar jenis garis gambar silahkan perhatikan tabel berikut ini secara seksama:
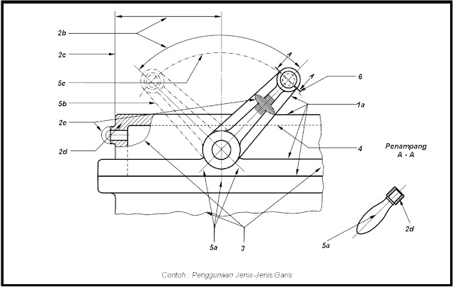
Sementara pada penerapannya dalam gambar teknik. Dapat anda perhatikan contoh dari penggunaan jenis-jenis garis pada gambar bawah berikut ini:
Nah, itu dia pembahasan kali ini mengenai jenis-jenis garis pada gambar teknik pada materi Memahami garis-garis gambar teknik sesuai bentuk dan fungsi garis. Semoga dapat bermanfaat dalam memahami ilmu gambar teknik.











Post a Comment for "Macam-Macam Garis Gambar Teknik dan Fungsinya"